Generator NSM borstförsedd med AVR-d spänningsreglering digital
Teknisk data
ZR100Standardspänning 50Hz: range 230÷240/400÷415V
Andra spänningar på begäran
Isoleringsklass H
Skydds IP 23
T.H.D. ≤ 6 %
Spänningsnoggrannhet ± 1,5 % (oavsett cosφ)
Startkapacitet (lcc ≥ 3In)
Tillval Elpanel, batteriladdare
Automatisk spänningsregulator
AVR960DLevereras med skydd för underhastighet, maximal spänning, maximal magnetiseringsström,
Långvarig överbelastning (max kVA)
Fjärrjusterbar spänningsregulator
Teknisk data
Z100
Standardspänning
50Hz: 230/400V, 240/415V
Andra spänningar på begäran
Isoleringsklass H
Skydds IP 23
T.H.D. ≤ 6 % (GPZR100SB <5%)
Spänningsnoggrannhet ± 6 % (cosφ = 0,9)
Startkapacitet (lcc ≥ 4In)
Tillval Elpanel, batteriladdare
| 50Hz – 3000rpm |
| Modell |
Uteffekt |
Drivkraft |
Vikt |
|
3 ph cosφ 0,8 [kVA] |
1 ph Y cosφ 1 [kVA] |
4/4 – cosφ 0,8 [kVA] |
4/4 – cosφ 0,8 η % |
cone
Kg |
B34
Kg |
SAE Kg |
| GPSR100SB |
7 |
2,7 |
6 |
77,0 |
25,0 |
26,5 |
28,5 |
| GPSR100SC |
7,0 |
3,5 |
6,9 |
81,0 |
27,0 |
28,5 |
30,5 |
| GPSR100JA |
8,5 |
4,5 |
8,2 |
83,0 |
33,0 |
34,5 |
36,5 |
| GPSR100LB |
10,0 |
5,0 |
9,4 |
85,0 |
37,0 |
38,5 |
40,5 |
| GPZ100SC |
7,0 |
3,5 |
7,0 |
80,0 |
30,0 |
31,5 |
33,5 |


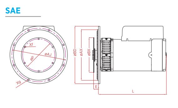
|
Fläns |
| SAE |
ØBD |
ØAX |
ØAJ |
Xf |
|
mm |
| 5 |
358 |
314,33 |
333,4 |
Ø11 (8) |
| 4 |
405 |
361,95 |
381,0 |
Ø11 (12) |
|
Joint |
| SAE |
ØBD |
ØPX |
E |
Xg |
|
mm |
| 6,5 |
215,9 |
200,02 |
30,2 |
Ø9 (6) |
| 7,5 |
241,3 |
222,25 |
30,2 |
Ø9 (8) |